不銹鋼三片式法蘭球閥

特征
-全通徑 Full Port, 1/2"~6"(DN15~DN150)
-閥體工作壓力 Body W.P.:1000WOG(PN63)
-法蘭端工作壓力 Flange end W.P:PN16/40,CLASS 150/300
-工作溫度 W.T.: -20℃~180℃
-精密鑄造 Investment casting
-閥桿咕爆出裝置設計Blow-out proof stem
-IS05211直裝高平臺設計(可選)ISO 5211 Direct Mounting Pad(option)
-手柄帶鎖裝置(可選)locking cevice handie (option)
F3B 國標 GB PN16
-設計標準 Design:GB/T 12237
-法蘭標準 Flange dimension:JB/T 79.1
-檢驗&測試 Inspection testing : GB/T13927,JB/T 9092
F3C 美標 ANSI CLASS 150/300
-設計標準Design:ASME B16.34
這蘭標準Flange dimension:ASME B16.5
-檢驗&測試 Inspection &testing : API 598
-設計標準 Design:DIN3357,EN12516-1
F3D 德標 DIN PN16/40
-法蘭標準 Flangedimension:DIN2543?2545,EN1092-1PN16/40
-結構長度 Fave to face: DIN3202 F1 ,EN558-1
-檢驗&測試 Inspection &testing : DIN3230,EN12266-1
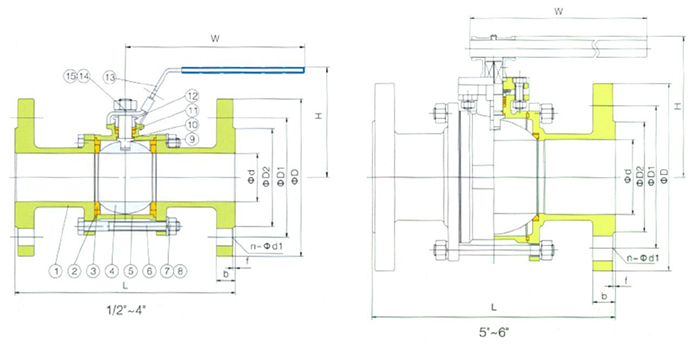
材料列表
| 序號 | 霉件名稱 | 材質 | ||
| 1 | 閥蓋 | WCB | CF8 | CF8M | ||
| 2 | 墊片 | PTFE | ||
| 3 | 閥座 | PTFE | ||
| 4 | 球體 | CF8 | CF8 | CF8M |
| 5 | 閥體 | WCB | CF8 | CF8M |
| 6 | 螺栓 | 304 | ||
| 7 | 彈墊 | 304 | ||
| 8 | 螺母 | 304 | ||
| 9 | 閥桿 | 304 | 304 | 316 | ||
| 10 | 閥桿墊圈 | PTFE | ||
| 11 | 填料 | PTFE | ||
| 12 | 壓蓋 | 304 | ||
| 13 | 手柄 | 304+PVC | ||
| 14 | 彈墊 | 304 | ||
| 15 | 螺母 | 304 | ||
F3B 國標 GBPN16
| 尺勺' size | L | d | D2 | d1 | D | b | f | n-d1 | H | W | |
| 15 | 1/2" | 130 | 15 | 45 | 65 | 95 | 14 | 2 | 4-14 | 86 | 120 |
| 20 | 3/4" | 150 | 20 | 55 | 75 | 105 | 14 | 2 | 4-14 | 92 | 130 |
| 25 | 1" | 160 | 25 | 65 | 85 | 115 | 14 | 2 | 4-14 | 98 | 160 |
| 32 | 1-1/4" | 180 | 32 | 78 | 100 | 135 | 16 | 2 | 4-18 | 116 | 180 |
| 40 | 1-1/2" | 200 | 40 | 85 | 110 | 145 | 16 | 3 | 4-18 | 120 | 200 |
| 50 | 2" | 230 | 50 | 100 | 125 | 160 | 16 | 3 | 4-18 | 127 | 240 |
| 65 | 2-1/2" | 290 | 65 | 120 | 145 | 180 | 18 | 3 | 4-18 | 138 | 260 |
| 80 | 3" | 310 | 80 | 135 | 160 | 195 | 20 | 3 | 8-18 | 150 | 300 |
| 100 | 4" | 350 | 100 | 155 | 180 | 215 | 20 | 3 | 8-18 | 100 | 350 |
| 125 | 5" | 400 | 125 | 185 | 210 | 250 | 22 | 3 | 8-18 | 220 | 650 |
| 150 | 6" | 480 | 150 | 210 | 240 | 285 | 22 | 3 | 8-22 | 245 | 800 |
F3C 美標 GB ANSI CLASS 150/300
| size | L | d | D2 | d1 | D | b | f | n-d1 | H | W | |
| 15 | 1/2" | 130 | 15 | 35 | 60.3 | 90 | 12 | 2 | 4-16 | 86 | 120 |
| 20 | 3/4" | 150 | 20 | 43 | 70 | 100 | 12.5 | 2 | 4-16 | 92 | 130 |
| 25 | 1" | 160 | 25 | 51 | 79.4 | 110 | 12.5 | 2 | 4-16 | 98 | 160 |
| 32 | 1-1/4" | 180 | 32 | 63.5 | 88.9 | 115 | 13.2 | 2 | 4-16 | 116 | 180 |
| 40 | 1-1/2" | 200 | 40 | 73 | 98.4 | 125 | 14.7 | 2 | 4-16 | 120 | 200 |
| 50 | 2" | 230 | 50 | 92 | 120.7 | 150 | 16.3 | 2 | 4-19 | 127 | 240 |
| 65 | 2-1/2" | 290 | 65 | 105 | 139.7 | 180 | 17.9 | 2 | 4-19 | 138 | 260 |
| 80 | 3" | 310 | 80 | 127 | 152.4 | 190 | 19.5 | 2 | 4-19 | 150 | 300 |
| 100 | 4" | 350 | 100 | 157 | 190.5 | 230 | 24.3 | 2 | 8-19 | 168 | 350 |
| 125 | 5" | 400 | 125 | 185 | 216 | 255 | 24.3 | 2 | 8-22 | 220 | 650 |
| 150 | 6" | 480 | 150 | 216 | 241.3 | 280 | 25.9 | 2 | 8-22 | 245 | 800 |
F3D 德標 DIN PN16/40
| 尺寸size | L | d | D2 | d1 | D | b | f | n-d1 | H | W | |
| 15 | 1/2" | 130 | 15 | 45 | 65 | 95 | 16 | 2 | 4-14 | 86 | 120 |
| 20 | 3/4" | 150 | 20 | 58 | 75 | 105 | 18 | 2 | 4-14 | 92 | 130 |
| 25 | 1" | 160 | 25 | 68 | 85 | 115 | 18 | 2 | 4-14 | 98 | 160 |
| 32 | 1-1/4" | 180 | 32 | 78 | 100 | 135 | 18 | 2 | 4-18 | 116 | 180 |
| 40 | 1-1/2" | 200 | 40 | 88 | 110 | 145 | 18 | 3 | 4-18 | 120 | 200 |
| 50 | 2" | 230 | 50 | 102 | 125 | 160 | 20 | 3 | 4-18 | 127 | 240 |
| 65 | 2-1/2" | 290 | 65 | 122 | 145 | 180 | 18 | 3 | 4-18 | 138 | 260 |
| 80 | 3" | 310 | 80 | 138 | 160 | 195 | 20 | 3 | 8-18 | 150 | 300 |
| 100 | 4" | 350 | 100 | 158 | 180 | 215 | 20 | 3 | 8-18 | 168 | 350 |
| 125 | 5" | 400 | 125 | 188 | 210 | 250 | 22 | 3 | 8-18 | 220 | 650 |
| 150 | 6" | 480 | 150 | 212 | 240 | 285 | 22 | 3 | 8-22 | 245 | 800 |
德標DINPN40
| 尺寸size | L | d | D2 | d1 | D | b | f | n-d1 | H | W | |
| 15 | 1/2" | 130 | 15 | 45 | 65 | 95 | 16 | 2 | 4-14 | 86 | 120 |
| 20 | 3/4" | 150 | 20 | 58 | 75 | 105 | 18 | 2 | 4-14 | 92 | 130 |
| 25 | 1" | 160 | 25 | 68 | 85 | 115 | 18 | 2 | 4-14 | 98 | 160 |
| 32 | 1-1/4" | 180 | 32 | 78 | 100 | 140 | 18 | 2 | 4-18 | 116 | 180 |
| 40 | 1-1/2" | 200 | 40 | 88 | 110 | 150 | 18 | 3 | 4-18 | 120 | 200 |
| 50 | 2" | 230 | 50 | 102 | 125 | 165 | 20 | 3 | 4-18 | 127 | 240 |
| 65 | 2-1/2" | 290 | 65 | 122 | 145 | 185 | 22 | 3 | 8-18 | 138 | 260 |
| 80 | 3" | 310 | 80 | 138 | 160 | 200 | 24 | 3 | 8-18 | 150 | 300 |
| 100 | 4" | 350 | 100 | 162 | 190 | 235 | 24 | 3 | 8-22 | 168 | 350 |
| 125 | 5" | 400 | 125 | 188 | 220 | 270 | 26 | 3 | 8-26 | 220 | 650 |
| 150 | 6" | 480 | 150 | 218 | 250 | 300 | 28 | 3 | 8-26 | 245 | 800 |